ВЕ10.44 В220 (или 1РЕ10.44 В220) — это золотниковый электромагнитный гидрораспределитель с одной катушкой на 220 В переменного тока, условным проходом 10 мм и схемой золотника 44. Применяется для дистанционного управления рабочими потоками в гидросистемах промышленного, строительного и мобильного оборудования.
Основные характеристики
-
Тип управления: электромагнитное (одна катушка с пружинным возвратом золотника)
-
Схема распределения: 44 (четырёхлинейная, двупозиционная — стандарт для классического подключения гидроцилиндров с независимым сливом)
-
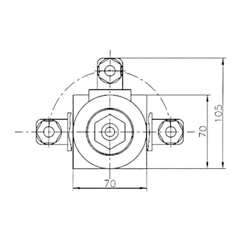
Условный проход (Ду): 10 мм
-
Максимальное рабочее давление: до 32 МПа на входе (P, A, B), до 10–16 МПа на сливе (T)
-
Пропускная способность: номинальный расход 25–40 л/мин, максимальный — до 100 л/мин
-
Рабочая жидкость: минеральное масло с кинематической вязкостью 10–400 мм²/с
-
Фильтрация: не грубее 10–25 мкм
-
Напряжение катушки: 220 В переменного тока, 50 Гц
-
Температурный диапазон эксплуатации: от –40 °C до +55 °C
-
Монтаж: стандартная плита CETOP 05 (стыковое подключение Ду-10)
-
Степень защиты: IP65
-
Масса: 4,5–6,5 кг (в зависимости от исполнения)
Особенности и применение
-
Позволяет дистанционно и быстро переключать потоки жидкости для управления гидроцилиндрами, гидромоторами и прессами.
-
Пружинный возврат золотника обеспечивает автоматическое возвращение распределителя в исходное положение при отсутствии сигнала на катушке.
-
Унифицированная конструкция и монтажные размеры дают возможность простой замены устройством отечественных и зарубежных производителей без доработки системы.
-
Используется на гидростанциях, в станках, спецтехнике, дорожно-строительном и сельскохозяйственном оборудовании.
Аналоги и взаимозаменяемость
-
Российские аналоги: 1РЕ10.44 В220, ПЕ10.44 В220, ВЕ10.44 В220.
-
Белорусские аналоги: с такой же схемой золотника и напряжением катушки.
-
Импортные аналоги: Bosch Rexroth 4WE10...44-220VAC, Yuken DSG-01...44-220VAC, Parker D1VW...44-220VAC, Vickers DG4V-3...44-220VAC, Hydac D1W1... (важно совпадение схемы золотника, напряжения катушки и монтажных параметров).
-
Возможна установка катушек с другим напряжением (например, 110 В или 24 В AC/DC), если это предусмотрено производителем.
Рекомендации по эксплуатации
-
Используйте только чистое и хорошо отфильтрованное минеральное масло для увеличения срока службы изделия.
-
При замене или ремонте обязательно проверяйте схему золотника (44), параметры катушки и монтажную плиту.
-
Не превышайте указанные производителем пределы по давлению, расходу и температуре.
-
Регулярно обслуживайте устройство: проверяйте герметичность, состояние уплотнений и чистоту рабочих каналов.
Этот гидрораспределитель востребован благодаря надежности, стандартным размерам и широкому применению в современных гидросистемах для быстрой смены рабочих потоков при дистанционном управлении от сети 220 В.
Цены на продукцию и предоставляемые услуги формируются индивидуально — итоговая стоимость зависит от требований к выбранному оборудованию, объёмов заказа, специфики проекта и сопутствующих услуг.
Основные моменты:
-
Для каждого клиента стоимость рассчитывается персонально, с учетом технических особенностей и потребностей.
-
Все детали сотрудничества, включая условия поставки, сроки, комплектацию и способ оплаты, обсуждаются с менеджером индивидуально после обращения.
-
Для получения актуального предложения рекомендуется обращаться за консультацией — специалисты компании предоставляют коммерческое предложение после уточнения всех нюансов заказа.
Такой подход позволяет подобрать оптимальное оборудование, договориться о сроках и условиях, полностью соответствующих вашим задачам и бюджету
-
Доставка до транспортной компании осуществляется силами поставщика.
-
Упаковка продукции также производится поставщиком.
Это обеспечивает удобство для клиента: не требуется самостоятельно организовывать или оплачивать доставку до терминала ТК и заботиться о правильной упаковке груза. Все эти вопросы берет на себя поставщик после согласования условий заказа.
Если требуются особые требования к упаковке или определенная транспортная компания, данные моменты обсуждаются заранее с менеджером при оформлении заказа.
Контакты для уточнения деталей: тел: +79090090330 емайл: info@ds-gost.ru
Порядок оформления
-
Для оформления возврата или обмена свяжитесь с менеджером через сайт или по телефону, укажите причину и приложите копии документов.
-
Мы проконсультируем по процедуре возврата, обмена или гарантийного обслуживания в максимально короткие сроки.
Все гарантийные и возвратные обязательства реализуются строго по действующему законодательству России и с учётом интересов наших клиентов.
