ВЕ10.34 Г24 (или 1РЕ10.34 Г24) — золотниковый электромагнитный гидрораспределитель с одной катушкой на 24 В постоянного тока и условным проходом 10 мм. Устройство используется для дистанционного управления направлением потока рабочей жидкости в гидросистемах промышленного, строительного и специализированного оборудования, где используется схема золотника 34.
Основные технические характеристики
-
Тип управления: электромагнитное (одна катушка с пружинным возвратом золотника)
-
Схема распределения: 34 (четырёхлинейная, двупозиционная; характерная схема подключения для ряда промышленных гидросистем)
-
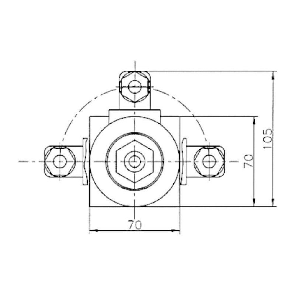
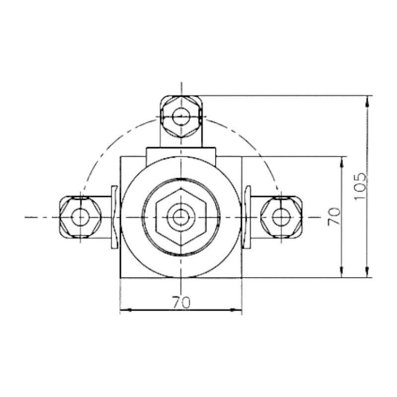
Условный проход (Ду): 10 мм
-
Максимальное рабочее давление: до 32 МПа на входе (P, A, B), до 10–16 МПа на сливе (T)
-
Расход рабочей жидкости: номинальный 25–40 л/мин, максимальный — до 100 л/мин
-
Рабочая жидкость: минеральное масло с кинематической вязкостью 10–400 мм²/с
-
Фильтрация: не грубее 10–25 мкм
-
Напряжение катушки: 24 В постоянного тока
-
Температурный диапазон эксплуатации: от –40 °C до +55 °C
-
Монтаж: стандартная монтажная плита CETOP 05 (стыковое подключение Ду-10)
-
Степень защиты: IP65
-
Масса: 4,5–6,5 кг (зависит от исполнения)
Особенности и область применения
-
Подходит для дистанционного и надёжного переключения направления рабочих потоков в гидроцилиндрах, моторах, прессах, подъёмниках и другом исполнительном оборудовании.
-
Пружинный возврат золотника обеспечивает автоматический возврат устройства в исходное положение при отсутствии питания.
-
Унификация присоединительных размеров облегчает замену на отечественные и зарубежные гидрораспределители с аналогичной схемой золотника и монтажной плитой.
-
Используется в маслостанциях, на промышленном оборудовании, спецтехнике и мобильных установках.
Аналоги и совместимость
-
Российские аналоги: 1РЕ10.34 Г24, ПЕ10.34 Г24, ВЕ10.34 Г24 других заводов-изготовителей.
-
Импортные аналоги: Bosch Rexroth 4WE10...34DC, Yuken DSG-01...34DC, Parker D1VW...24VDC, Vickers DG4V-3...24VDC, Hydac D1W1... (важно совпадение схемы золотника 34, напряжения катушки и посадочных размеров).
-
Китайские аналоги при совпадении схемы и технических параметров.
Рекомендации по эксплуатации
-
Используйте только чистую, хорошо отфильтрованную рабочую жидкость, чтобы продлить срок службы устройства.
-
При подборе или замене изделия сверяйте схему золотника, характеристики катушки и параметры монтажной плиты.
-
Не допускайте превышения рабочих параметров давления и расхода.
-
Регулярно проверяйте герметичность соединений, уплотнения и работоспособность механизма возврата золотника.
Этот гидрораспределитель востребован в различных гидросистемах, где требуются компактные размеры, надёжность и быстродействие при эксплуатации от питания 24 В постоянного тока.
Цены на продукцию и предоставляемые услуги формируются индивидуально — итоговая стоимость зависит от требований к выбранному оборудованию, объёмов заказа, специфики проекта и сопутствующих услуг.
Основные моменты:
-
Для каждого клиента стоимость рассчитывается персонально, с учетом технических особенностей и потребностей.
-
Все детали сотрудничества, включая условия поставки, сроки, комплектацию и способ оплаты, обсуждаются с менеджером индивидуально после обращения.
-
Для получения актуального предложения рекомендуется обращаться за консультацией — специалисты компании предоставляют коммерческое предложение после уточнения всех нюансов заказа.
Такой подход позволяет подобрать оптимальное оборудование, договориться о сроках и условиях, полностью соответствующих вашим задачам и бюджету
-
Доставка до транспортной компании осуществляется силами поставщика.
-
Упаковка продукции также производится поставщиком.
Это обеспечивает удобство для клиента: не требуется самостоятельно организовывать или оплачивать доставку до терминала ТК и заботиться о правильной упаковке груза. Все эти вопросы берет на себя поставщик после согласования условий заказа.
Если требуются особые требования к упаковке или определенная транспортная компания, данные моменты обсуждаются заранее с менеджером при оформлении заказа.
Контакты для уточнения деталей: тел: +79090090330 емайл: info@ds-gost.ru
Порядок оформления
-
Для оформления возврата или обмена свяжитесь с менеджером через сайт или по телефону, укажите причину и приложите копии документов.
-
Мы проконсультируем по процедуре возврата, обмена или гарантийного обслуживания в максимально короткие сроки.
Все гарантийные и возвратные обязательства реализуются строго по действующему законодательству России и с учётом интересов наших клиентов.
