Гидроклапан редукционный МКРВ-6/3М-3 — высоконадежный клапан для регулирования и поддержания стабильного давления в гидросистемах. Обеспечивает снижение давления в отводящем потоке и защиту оборудования от перегрузок при изменениях входного давления и расхода.
Основные характеристики
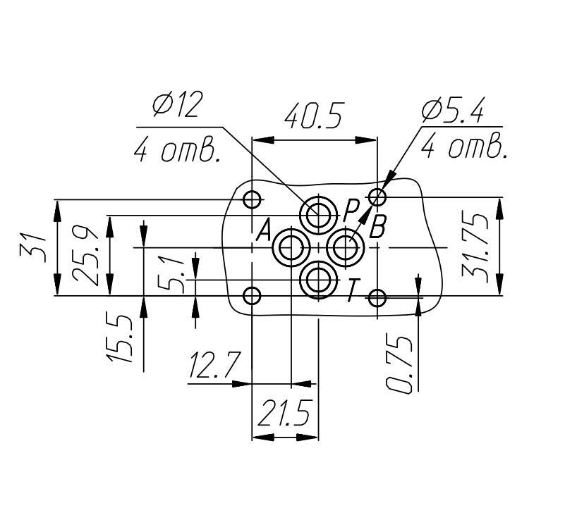
‣ Условный проход: 6 мм
‣ Диапазон настройки давления: 0,2–34 МПа
‣ Максимальное рабочее давление: до 35 МПа
‣ Номинальный расход: до 32 л/мин
‣ Температурный диапазон эксплуатации: +1…+45 °С
‣ Масса: около 1,5 кг
Принцип работы
Клапан автоматически поддерживает заданное давление на выходе, регулируя поток жидкости независимо от изменений входных параметров гидросистемы, что обеспечивает стабильную и безопасную работу оборудования.
Область применения
Применяется в гидросистемах строительной, сельскохозяйственной и промышленной техники для точного контроля давления и повышения надежности работы гидравлических систем.
Цены на продукцию и предоставляемые услуги формируются индивидуально — итоговая стоимость зависит от требований к выбранному оборудованию, объёмов заказа, специфики проекта и сопутствующих услуг.
Основные моменты:
-
Для каждого клиента стоимость рассчитывается персонально, с учетом технических особенностей и потребностей.
-
Все детали сотрудничества, включая условия поставки, сроки, комплектацию и способ оплаты, обсуждаются с менеджером индивидуально после обращения.
-
Для получения актуального предложения рекомендуется обращаться за консультацией — специалисты компании предоставляют коммерческое предложение после уточнения всех нюансов заказа.
Такой подход позволяет подобрать оптимальное оборудование, договориться о сроках и условиях, полностью соответствующих вашим задачам и бюджету
-
Доставка до транспортной компании осуществляется силами поставщика.
-
Упаковка продукции также производится поставщиком.
Это обеспечивает удобство для клиента: не требуется самостоятельно организовывать или оплачивать доставку до терминала ТК и заботиться о правильной упаковке груза. Все эти вопросы берет на себя поставщик после согласования условий заказа.
Если требуются особые требования к упаковке или определенная транспортная компания, данные моменты обсуждаются заранее с менеджером при оформлении заказа.
Контакты для уточнения деталей: тел: +79090090330 емайл: info@ds-gost.ru
Порядок оформления
-
Для оформления возврата или обмена свяжитесь с менеджером через сайт или по телефону, укажите причину и приложите копии документов.
-
Мы проконсультируем по процедуре возврата, обмена или гарантийного обслуживания в максимально короткие сроки.
Все гарантийные и возвратные обязательства реализуются строго по действующему законодательству России и с учётом интересов наших клиентов.
