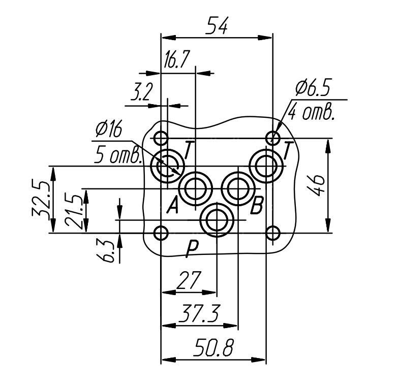
Гидроклапан редукционный модульного монтажа МКРВ-10/3М-2 — надежный клапан для регулирования и поддержания заданного давления в гидравлических системах. Он обеспечивает стабилизацию давления в отводимом потоке, снижая давление по сравнению с подводимым, для безопасной и эффективной работы оборудования.
Основные характеристики
‣ Условный проход: 10 мм
‣ Диапазон настройки давления: 0,3–12,5 МПа
‣ Максимальное рабочее давление: до 35 МПа
‣ Номинальный расход жидкости: до 63 л/мин
‣ Максимальный расход: 100 л/мин
‣ Масса: около 3,3 кг
Принцип работы
Клапан автоматически снижает давление на выходе до заданного значения, обеспечивая стабильность работы гидросистемы и защиту от перегрузок. Обеспечивает равномерное давление независимо от изменений входного давления и расхода.
Область применения
Используется в гидросистемах станков, прессов, производственного оборудования и других промышленных системах для точной регулировки давления и повышения надежности работы гидросистем.
Цены на продукцию и предоставляемые услуги формируются индивидуально — итоговая стоимость зависит от требований к выбранному оборудованию, объёмов заказа, специфики проекта и сопутствующих услуг.
Основные моменты:
-
Для каждого клиента стоимость рассчитывается персонально, с учетом технических особенностей и потребностей.
-
Все детали сотрудничества, включая условия поставки, сроки, комплектацию и способ оплаты, обсуждаются с менеджером индивидуально после обращения.
-
Для получения актуального предложения рекомендуется обращаться за консультацией — специалисты компании предоставляют коммерческое предложение после уточнения всех нюансов заказа.
Такой подход позволяет подобрать оптимальное оборудование, договориться о сроках и условиях, полностью соответствующих вашим задачам и бюджету
-
Доставка до транспортной компании осуществляется силами поставщика.
-
Упаковка продукции также производится поставщиком.
Это обеспечивает удобство для клиента: не требуется самостоятельно организовывать или оплачивать доставку до терминала ТК и заботиться о правильной упаковке груза. Все эти вопросы берет на себя поставщик после согласования условий заказа.
Если требуются особые требования к упаковке или определенная транспортная компания, данные моменты обсуждаются заранее с менеджером при оформлении заказа.
Контакты для уточнения деталей: тел: +79090090330 емайл: info@ds-gost.ru
Порядок оформления
-
Для оформления возврата или обмена свяжитесь с менеджером через сайт или по телефону, укажите причину и приложите копии документов.
-
Мы проконсультируем по процедуре возврата, обмена или гарантийного обслуживания в максимально короткие сроки.
Все гарантийные и возвратные обязательства реализуются строго по действующему законодательству России и с учётом интересов наших клиентов.
