Клапан предохранительный КПМ-6/3В2 — модульный гидравлический клапан, предназначенный для защиты гидросистем от превышения давления, обеспечивая автоматический сброс избыточного давления и предотвращая повреждение оборудования. Обеспечивает надежную и безопасную работу техники.
Основные характеристики
-
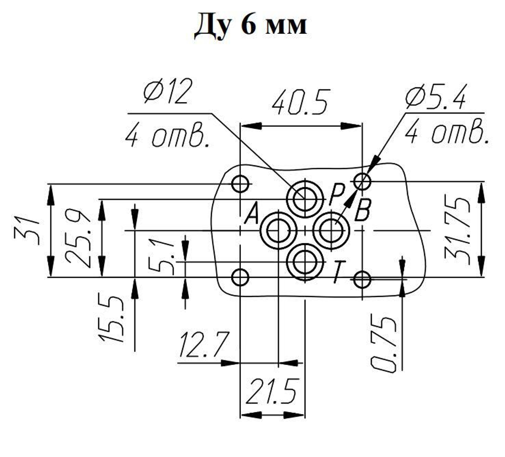
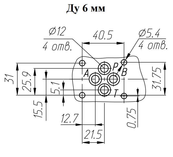
Условный проход: 6 мм
-
Номинальное давление: 20 МПа
-
Максимальное давление: 25 МПа
-
Тип исполнения: модульный, с маховиком (вариант В2)
-
Климатическое исполнение: УХЛ (умеренный и холодный климат)
-
Тип монтажа: модульный монтаж
Принцип работы
Клапан автоматически открывается при достижении давления выше установленного значения, сбрасывая излишки жидкости в слив. При снижении давления клапан закрывается, восстанавливая нормальную работу гидросистемы.
Область применения
Используется в гидросистемах строительной, сельскохозяйственной и промышленной техники, где требуется надежная защита гидросистем от перегрузок и поддержание стабильной работы оборудования.
Цены на продукцию и предоставляемые услуги формируются индивидуально — итоговая стоимость зависит от требований к выбранному оборудованию, объёмов заказа, специфики проекта и сопутствующих услуг.
Основные моменты:
-
Для каждого клиента стоимость рассчитывается персонально, с учетом технических особенностей и потребностей.
-
Все детали сотрудничества, включая условия поставки, сроки, комплектацию и способ оплаты, обсуждаются с менеджером индивидуально после обращения.
-
Для получения актуального предложения рекомендуется обращаться за консультацией — специалисты компании предоставляют коммерческое предложение после уточнения всех нюансов заказа.
Такой подход позволяет подобрать оптимальное оборудование, договориться о сроках и условиях, полностью соответствующих вашим задачам и бюджету
-
Доставка до транспортной компании осуществляется силами поставщика.
-
Упаковка продукции также производится поставщиком.
Это обеспечивает удобство для клиента: не требуется самостоятельно организовывать или оплачивать доставку до терминала ТК и заботиться о правильной упаковке груза. Все эти вопросы берет на себя поставщик после согласования условий заказа.
Если требуются особые требования к упаковке или определенная транспортная компания, данные моменты обсуждаются заранее с менеджером при оформлении заказа.
Контакты для уточнения деталей: тел: +79090090330 емайл: info@ds-gost.ru
Порядок оформления
-
Для оформления возврата или обмена свяжитесь с менеджером через сайт или по телефону, укажите причину и приложите копии документов.
-
Мы проконсультируем по процедуре возврата, обмена или гарантийного обслуживания в максимально короткие сроки.
Все гарантийные и возвратные обязательства реализуются строго по действующему законодательству России и с учётом интересов наших клиентов.
