Гидроклапан обратный модульный КОМ-6/3МВ — устройство, предназначенное для пропускания потока рабочей жидкости только в одном направлении (модификация в линии «В») и автоматического перекрытия потока при попытке обратного движения. Применяется для защиты и оптимизации работы гидросистем станков, прессов и другого промышленного оборудования.
Основные характеристики
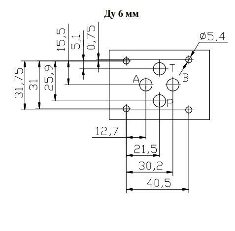
‣ Условный проход: 6 мм
‣ Номинальное рабочее давление: 32 МПа
‣ Максимальное давление: 35 МПа
‣ Давление открытия клапана: 0,035 МПа
‣ Номинальный расход рабочей жидкости: 32 л/мин
‣ Максимальный расход: 80 л/мин
‣ Рабочая жидкость: минеральные масла с вязкостью 20–250 сСт
‣ Внутренняя герметичность: до 0,5 см³/мин
‣ Перепад давления во время работы: до 0,3 МПа (при номинальном расходе)
‣ Температура окружающей среды: +1…+45 °C
Принцип работы
Клапан свободно пропускает жидкость по линии "В", при обратном направлении поток блокируется подпружиненным затвором, что предотвращает обратное движение масла.
Область применения
Используется в гидросистемах станков, прессов, строительной и специализированной техники для предотвращения обратного потока жидкости и повышения стабильности работы оборудования.
Цены на продукцию и предоставляемые услуги формируются индивидуально — итоговая стоимость зависит от требований к выбранному оборудованию, объёмов заказа, специфики проекта и сопутствующих услуг.
Основные моменты:
-
Для каждого клиента стоимость рассчитывается персонально, с учетом технических особенностей и потребностей.
-
Все детали сотрудничества, включая условия поставки, сроки, комплектацию и способ оплаты, обсуждаются с менеджером индивидуально после обращения.
-
Для получения актуального предложения рекомендуется обращаться за консультацией — специалисты компании предоставляют коммерческое предложение после уточнения всех нюансов заказа.
Такой подход позволяет подобрать оптимальное оборудование, договориться о сроках и условиях, полностью соответствующих вашим задачам и бюджету
-
Доставка до транспортной компании осуществляется силами поставщика.
-
Упаковка продукции также производится поставщиком.
Это обеспечивает удобство для клиента: не требуется самостоятельно организовывать или оплачивать доставку до терминала ТК и заботиться о правильной упаковке груза. Все эти вопросы берет на себя поставщик после согласования условий заказа.
Если требуются особые требования к упаковке или определенная транспортная компания, данные моменты обсуждаются заранее с менеджером при оформлении заказа.
Контакты для уточнения деталей: тел: +79090090330 емайл: info@ds-gost.ru
Порядок оформления
-
Для оформления возврата или обмена свяжитесь с менеджером через сайт или по телефону, укажите причину и приложите копии документов.
-
Мы проконсультируем по процедуре возврата, обмена или гарантийного обслуживания в максимально короткие сроки.
Все гарантийные и возвратные обязательства реализуются строго по действующему законодательству России и с учётом интересов наших клиентов.
