Гидроклапан обратный модульный КОМ-10/3Т — специализированное устройство, предназначенное для обеспечения одностороннего пропуска рабочей жидкости в линии «Т» гидросистемы, предотвращая обратное движение потока и создавая подпор.
Основные характеристики
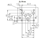
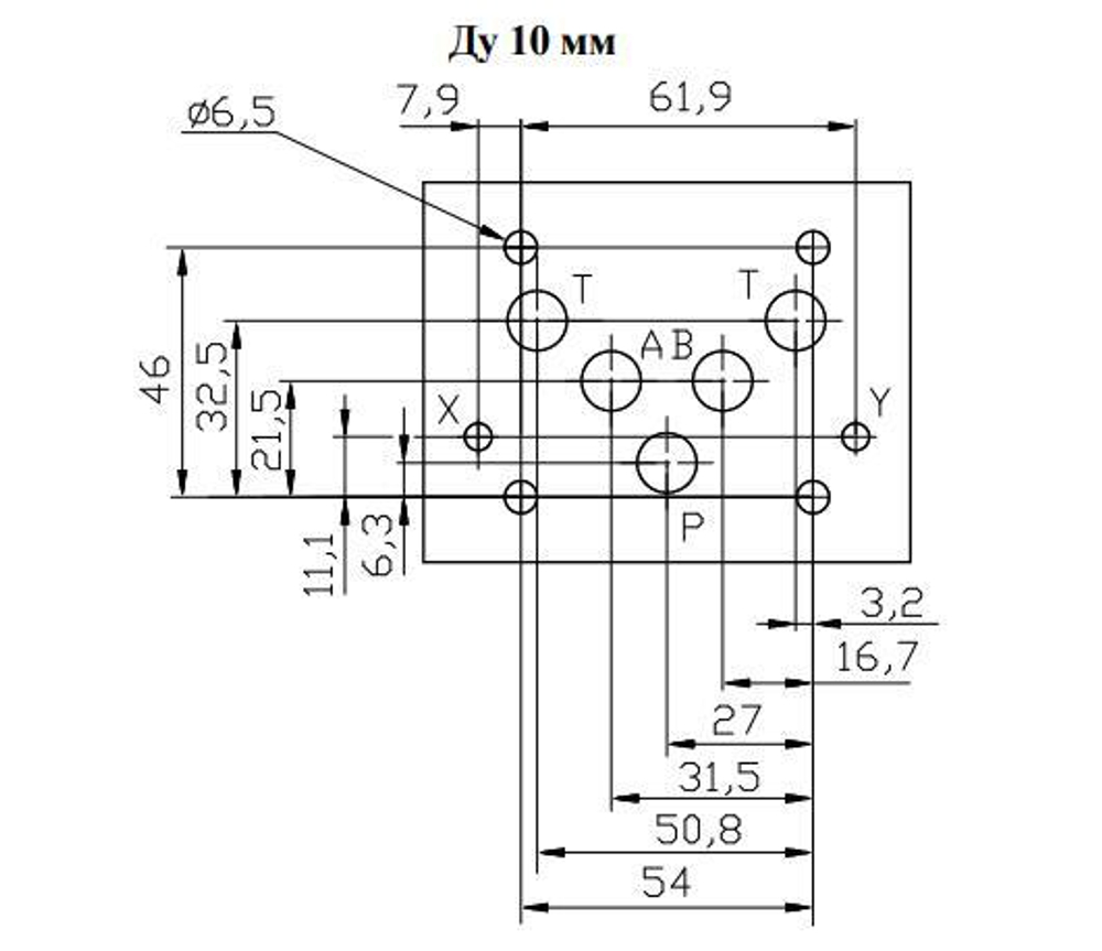
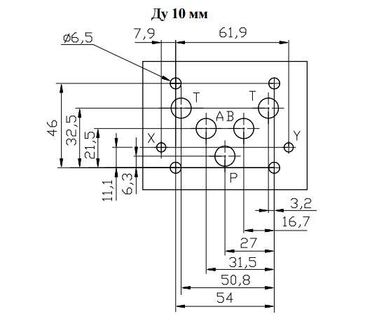
‣ Условный проход: 10 мм
‣ Номинальное рабочее давление: 32 МПа
‣ Давление открытия клапана: 0,05 МПа
‣ Номинальный расход рабочей жидкости: 63 л/мин
‣ Максимальный расход: 130 л/мин
‣ Рабочая жидкость: минеральные масла, вязкость 20–250 сСт
‣ Класс чистоты масла: не грубее 12 по ГОСТ 17216-71
‣ Температура окружающей среды: +1…+45 °C
‣ Внутренние утечки: до 1 см³/мин
‣ Масса: 1,5 кг
Принцип работы
Клапан свободно пропускает рабочую жидкость сверху вниз по линии «Т», препятствуя обратному потоку. В закрытом положении удерживается пружиной, открывается при превышении давления на входе.
Область применения
Используется в гидросистемах строительной, промышленной, специальной техники и других отраслях, где требуется организовать подпор или предотвратить обратное движение жидкости в линии слива.
Цены на продукцию и предоставляемые услуги формируются индивидуально — итоговая стоимость зависит от требований к выбранному оборудованию, объёмов заказа, специфики проекта и сопутствующих услуг.
Основные моменты:
-
Для каждого клиента стоимость рассчитывается персонально, с учетом технических особенностей и потребностей.
-
Все детали сотрудничества, включая условия поставки, сроки, комплектацию и способ оплаты, обсуждаются с менеджером индивидуально после обращения.
-
Для получения актуального предложения рекомендуется обращаться за консультацией — специалисты компании предоставляют коммерческое предложение после уточнения всех нюансов заказа.
Такой подход позволяет подобрать оптимальное оборудование, договориться о сроках и условиях, полностью соответствующих вашим задачам и бюджету
-
Доставка до транспортной компании осуществляется силами поставщика.
-
Упаковка продукции также производится поставщиком.
Это обеспечивает удобство для клиента: не требуется самостоятельно организовывать или оплачивать доставку до терминала ТК и заботиться о правильной упаковке груза. Все эти вопросы берет на себя поставщик после согласования условий заказа.
Если требуются особые требования к упаковке или определенная транспортная компания, данные моменты обсуждаются заранее с менеджером при оформлении заказа.
Контакты для уточнения деталей: тел: +79090090330 емайл: info@ds-gost.ru
Порядок оформления
-
Для оформления возврата или обмена свяжитесь с менеджером через сайт или по телефону, укажите причину и приложите копии документов.
-
Мы проконсультируем по процедуре возврата, обмена или гарантийного обслуживания в максимально короткие сроки.
Все гарантийные и возвратные обязательства реализуются строго по действующему законодательству России и с учётом интересов наших клиентов.
