Гидрозамок ГЗМ16/3МА — модульное гидравлическое устройство, предназначенное для свободного пропуска потока рабочей жидкости в одном направлении и запирания потока в обратном направлении при отсутствии управляющего воздействия. Позволяет обеспечить надежную фиксацию положения исполнительных механизмов и предотвращение самопроизвольного опускания или перемещения.
Основные характеристики
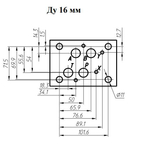
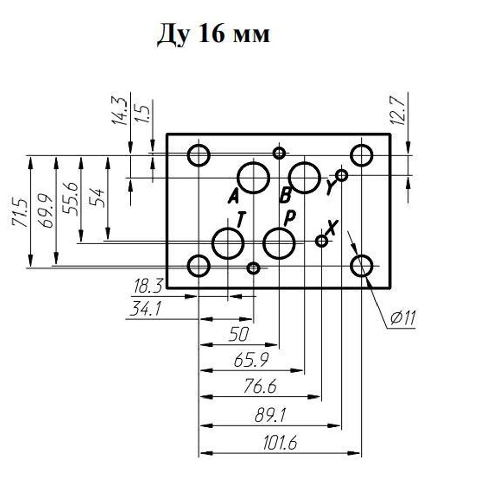
‣ Условный проход: 16 мм
‣ Номинальное давление на входе: 32 МПа
‣ Максимальное давление: 35 МПа
‣ Давление открытия клапана: 0,05 МПа
‣ Номинальный расход жидкости: 125 л/мин
‣ Максимальный расход: 180 л/мин
‣ Масса: около 5,5 кг
Принцип работы
Гидрозамок свободно пропускает поток в прямом направлении и запирает поток в обратном при отсутствии управляющего давления. При подаче управляющего сигнала устройство открывает поток в обе стороны, обеспечивая плавность и безопасность работы гидросистемы.
Область применения
Используется в гидроприводах прессов, станков, литейных и литьевых машин, мобильной техники и другого гидрофицированного оборудования для надежного контроля и фиксации положения исполнительных механизмов.
Цены на продукцию и предоставляемые услуги формируются индивидуально — итоговая стоимость зависит от требований к выбранному оборудованию, объёмов заказа, специфики проекта и сопутствующих услуг.
Основные моменты:
-
Для каждого клиента стоимость рассчитывается персонально, с учетом технических особенностей и потребностей.
-
Все детали сотрудничества, включая условия поставки, сроки, комплектацию и способ оплаты, обсуждаются с менеджером индивидуально после обращения.
-
Для получения актуального предложения рекомендуется обращаться за консультацией — специалисты компании предоставляют коммерческое предложение после уточнения всех нюансов заказа.
Такой подход позволяет подобрать оптимальное оборудование, договориться о сроках и условиях, полностью соответствующих вашим задачам и бюджету
-
Доставка до транспортной компании осуществляется силами поставщика.
-
Упаковка продукции также производится поставщиком.
Это обеспечивает удобство для клиента: не требуется самостоятельно организовывать или оплачивать доставку до терминала ТК и заботиться о правильной упаковке груза. Все эти вопросы берет на себя поставщик после согласования условий заказа.
Если требуются особые требования к упаковке или определенная транспортная компания, данные моменты обсуждаются заранее с менеджером при оформлении заказа.
Контакты для уточнения деталей: тел: +79090090330 емайл: info@ds-gost.ru
Порядок оформления
-
Для оформления возврата или обмена свяжитесь с менеджером через сайт или по телефону, укажите причину и приложите копии документов.
-
Мы проконсультируем по процедуре возврата, обмена или гарантийного обслуживания в максимально короткие сроки.
Все гарантийные и возвратные обязательства реализуются строго по действующему законодательству России и с учётом интересов наших клиентов.
