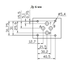
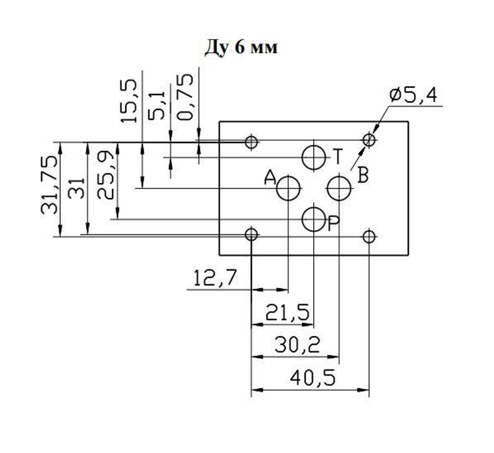
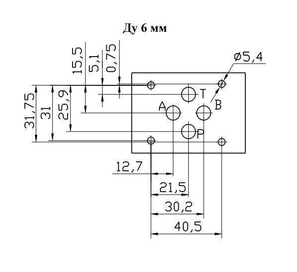
Гидрозамок ДКМ-6/3В — надёжное устройство для фиксации положения гидроцилиндров, предназначенное для предотвращения самопроизвольного опускания или падения исполнительных механизмов в гидросистемах промышленного и специализированного оборудования. Обеспечивает безопасность и стабильность работы техники при отключении подачи рабочей жидкости или в аварийных ситуациях.
Основные характеристики
‣ Максимальное рабочее давление: 31,5 МПа
‣ Рабочая жидкость: минеральные масла и гидравлические жидкости с вязкостью 10–400 сСт
‣ Температурный диапазон: от -30 до +80 °C
‣ Тип подключения: резьбовое
‣ Прочный корпус с устойчивостью к коррозии и длительным сроком службы
Принцип работы
Гидрозамок автоматически блокирует обратный поток жидкости при попытке самопроизвольного перемещения штока гидроцилиндра, предотвращая опускание рабочего органа. При подаче управляющего давления замок открывается, обеспечивая нормальную работу гидроцилиндра.
Область применения
ДКМ-6/3В применяется в гидросистемах строительной, сельскохозяйственной, транспортной и другой техники, где необходима надёжная фиксация положения исполнительных механизмов и безопасность эксплуатации оборудования.
Цены на продукцию и предоставляемые услуги формируются индивидуально — итоговая стоимость зависит от требований к выбранному оборудованию, объёмов заказа, специфики проекта и сопутствующих услуг.
Основные моменты:
-
Для каждого клиента стоимость рассчитывается персонально, с учетом технических особенностей и потребностей.
-
Все детали сотрудничества, включая условия поставки, сроки, комплектацию и способ оплаты, обсуждаются с менеджером индивидуально после обращения.
-
Для получения актуального предложения рекомендуется обращаться за консультацией — специалисты компании предоставляют коммерческое предложение после уточнения всех нюансов заказа.
Такой подход позволяет подобрать оптимальное оборудование, договориться о сроках и условиях, полностью соответствующих вашим задачам и бюджету
-
Доставка до транспортной компании осуществляется силами поставщика.
-
Упаковка продукции также производится поставщиком.
Это обеспечивает удобство для клиента: не требуется самостоятельно организовывать или оплачивать доставку до терминала ТК и заботиться о правильной упаковке груза. Все эти вопросы берет на себя поставщик после согласования условий заказа.
Если требуются особые требования к упаковке или определенная транспортная компания, данные моменты обсуждаются заранее с менеджером при оформлении заказа.
Контакты для уточнения деталей: тел: +79090090330 емайл: info@ds-gost.ru
Порядок оформления
-
Для оформления возврата или обмена свяжитесь с менеджером через сайт или по телефону, укажите причину и приложите копии документов.
-
Мы проконсультируем по процедуре возврата, обмена или гарантийного обслуживания в максимально короткие сроки.
Все гарантийные и возвратные обязательства реализуются строго по действующему законодательству России и с учётом интересов наших клиентов.
