Гидродроссель с обратным клапаном ДКМ-20/3А — модульное гидравлическое устройство, предназначенное для создания перепада давления и регулирования расхода рабочей жидкости в канале «А» гидросистемы. Обеспечивает свободное прохождение потока в обратном направлении благодаря встроенному обратному клапану.
Основные характеристики
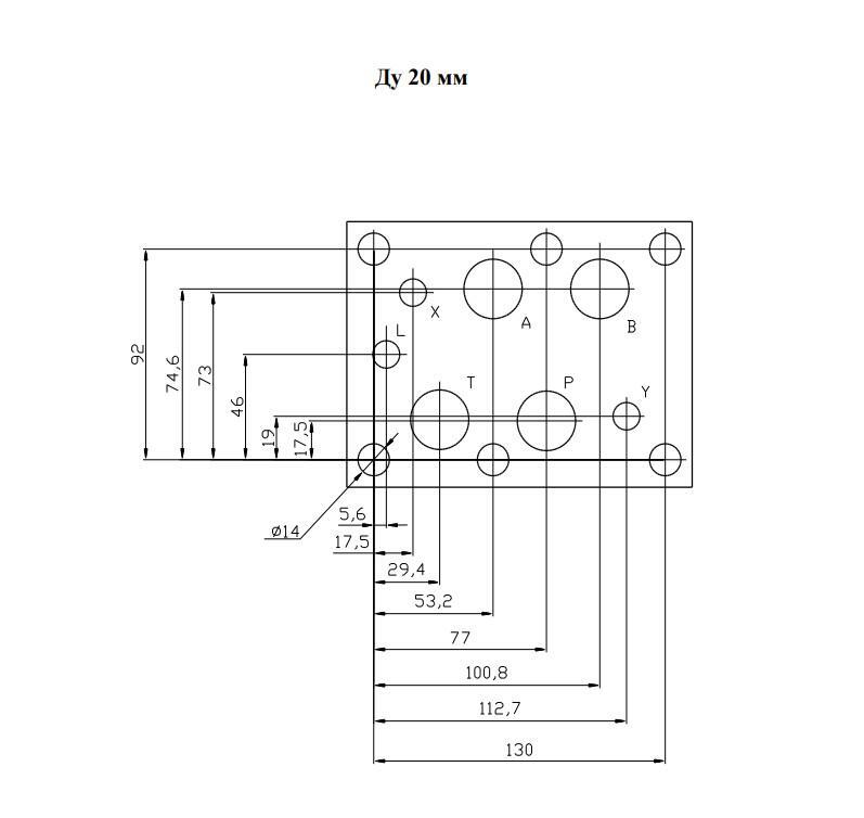
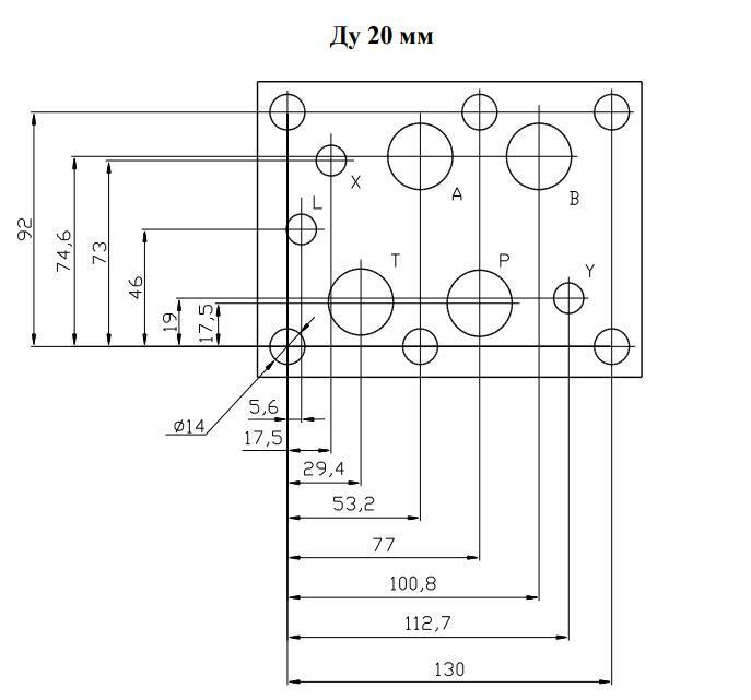
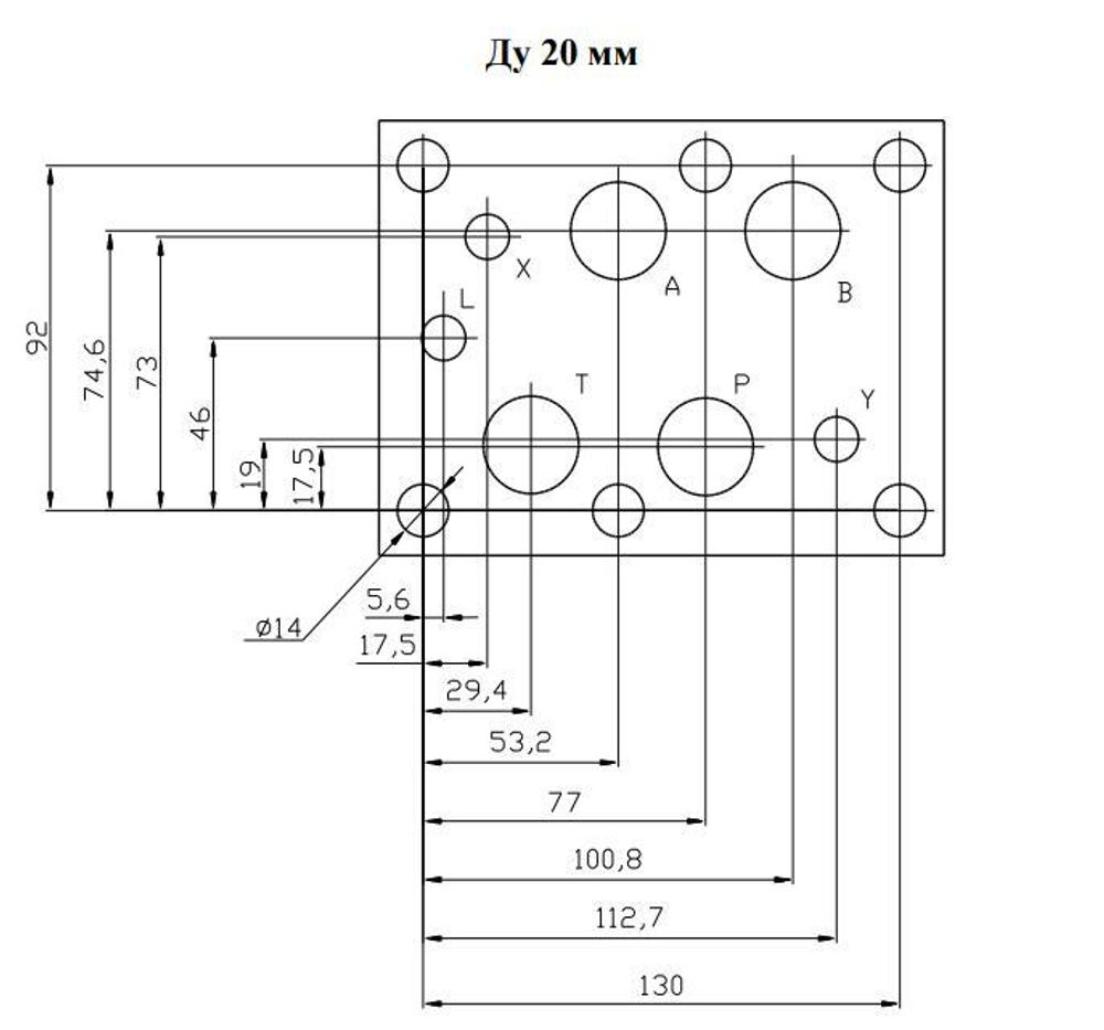
‣ Условный проход: 20 мм
‣ Максимальный расход: до 320 л/мин
‣ Номинальное давление: 32 МПа
‣ Максимальное давление: 35 МПа
‣ Давление открытия обратного клапана: около 0,5 бар
‣ Диапазон вязкости рабочей жидкости: 2,8–500 сСт
‣ Температурный диапазон эксплуатации: +1…+45 °С
‣ Рабочая жидкость: минеральные масла и гидравлические жидкости
Принцип работы
Гидродроссель ограничивает расход рабочей жидкости в канале «А», регулируя скорость движения исполнительных органов гидравлических систем. Обратный клапан обеспечивает свободное прохождение жидкости в обратном направлении, предотвращая обратный поток.
Область применения
Используется в гидросистемах строительной, промышленной и специализированной техники для точного управления движением исполнительных механизмов и повышения эффективности работы оборудования.
Цены на продукцию и предоставляемые услуги формируются индивидуально — итоговая стоимость зависит от требований к выбранному оборудованию, объёмов заказа, специфики проекта и сопутствующих услуг.
Основные моменты:
-
Для каждого клиента стоимость рассчитывается персонально, с учетом технических особенностей и потребностей.
-
Все детали сотрудничества, включая условия поставки, сроки, комплектацию и способ оплаты, обсуждаются с менеджером индивидуально после обращения.
-
Для получения актуального предложения рекомендуется обращаться за консультацией — специалисты компании предоставляют коммерческое предложение после уточнения всех нюансов заказа.
Такой подход позволяет подобрать оптимальное оборудование, договориться о сроках и условиях, полностью соответствующих вашим задачам и бюджету
-
Доставка до транспортной компании осуществляется силами поставщика.
-
Упаковка продукции также производится поставщиком.
Это обеспечивает удобство для клиента: не требуется самостоятельно организовывать или оплачивать доставку до терминала ТК и заботиться о правильной упаковке груза. Все эти вопросы берет на себя поставщик после согласования условий заказа.
Если требуются особые требования к упаковке или определенная транспортная компания, данные моменты обсуждаются заранее с менеджером при оформлении заказа.
Контакты для уточнения деталей: тел: +79090090330 емайл: info@ds-gost.ru
Порядок оформления
-
Для оформления возврата или обмена свяжитесь с менеджером через сайт или по телефону, укажите причину и приложите копии документов.
-
Мы проконсультируем по процедуре возврата, обмена или гарантийного обслуживания в максимально короткие сроки.
Все гарантийные и возвратные обязательства реализуются строго по действующему законодательству России и с учётом интересов наших клиентов.
