Гидродроссель с обратным клапаном ДКМ-16/3А — модульное гидравлическое устройство, предназначенное для регулирования величины расхода рабочей жидкости в канале «А» гидросистемы. Обеспечивает создание перепада давлений между подводимым и отводимым потоком при движении жидкости в одном направлении и свободное прохождение потока в обратном направлении.
Основные характеристики
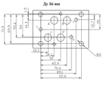
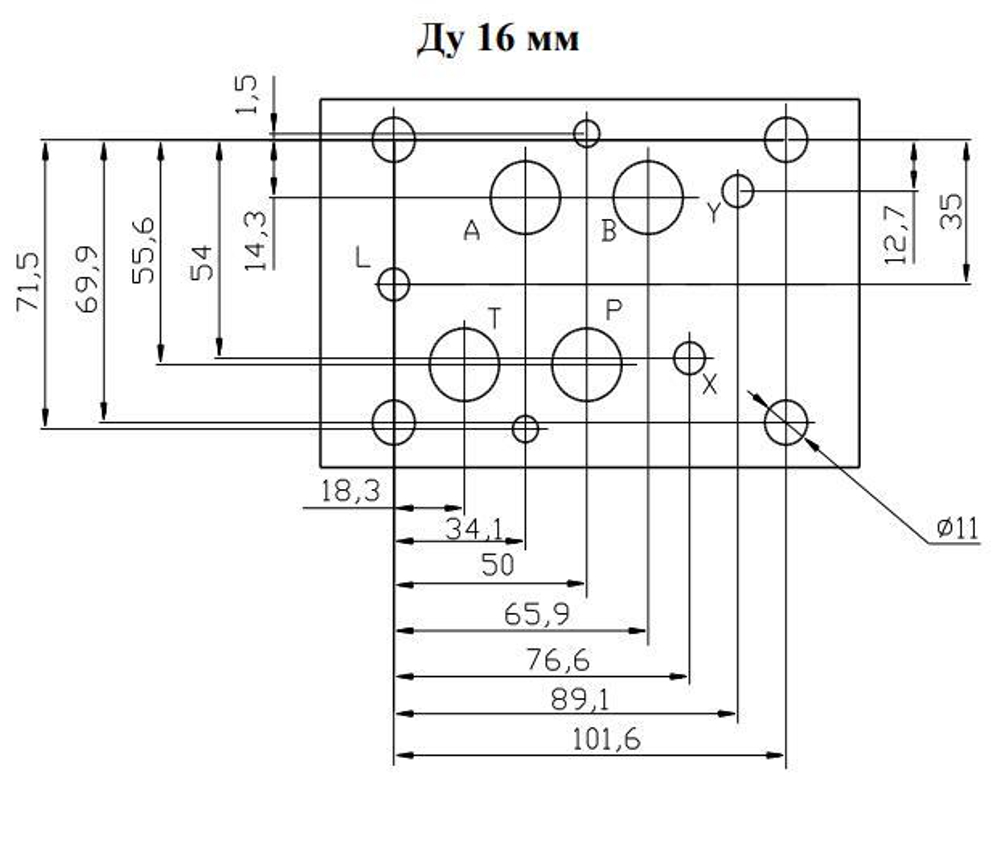
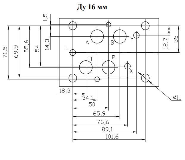
‣ Условный проход: 16 мм
‣ Максимальный расход: до 250 л/мин
‣ Максимальное рабочее давление: до 35 МПа (350 бар)
‣ Давление открытия обратного клапана: около 0,5 бар
‣ Диапазон вязкости рабочей жидкости: 2,8–500 сСт
‣ Температурный диапазон рабочей жидкости: от +20 до +50 °С
‣ Температура окружающей среды: от +1 до +45 °С
Принцип работы
Гидродроссель регулирует скорость движения исполнительных органов гидрофицированных машин и механизмов за счет ограничения расхода жидкости в канале «А». Обратный клапан обеспечивает свободный проход жидкости в обратном направлении, предотвращая обратный поток.
Область применения
Применяется в гидросистемах станков, прессов, строительной и другой промышленной техники для точного управления движением исполнительных механизмов и повышения эффективности работы оборудования.
Цены на продукцию и предоставляемые услуги формируются индивидуально — итоговая стоимость зависит от требований к выбранному оборудованию, объёмов заказа, специфики проекта и сопутствующих услуг.
Основные моменты:
-
Для каждого клиента стоимость рассчитывается персонально, с учетом технических особенностей и потребностей.
-
Все детали сотрудничества, включая условия поставки, сроки, комплектацию и способ оплаты, обсуждаются с менеджером индивидуально после обращения.
-
Для получения актуального предложения рекомендуется обращаться за консультацией — специалисты компании предоставляют коммерческое предложение после уточнения всех нюансов заказа.
Такой подход позволяет подобрать оптимальное оборудование, договориться о сроках и условиях, полностью соответствующих вашим задачам и бюджету
-
Доставка до транспортной компании осуществляется силами поставщика.
-
Упаковка продукции также производится поставщиком.
Это обеспечивает удобство для клиента: не требуется самостоятельно организовывать или оплачивать доставку до терминала ТК и заботиться о правильной упаковке груза. Все эти вопросы берет на себя поставщик после согласования условий заказа.
Если требуются особые требования к упаковке или определенная транспортная компания, данные моменты обсуждаются заранее с менеджером при оформлении заказа.
Контакты для уточнения деталей: тел: +79090090330 емайл: info@ds-gost.ru
Порядок оформления
-
Для оформления возврата или обмена свяжитесь с менеджером через сайт или по телефону, укажите причину и приложите копии документов.
-
Мы проконсультируем по процедуре возврата, обмена или гарантийного обслуживания в максимально короткие сроки.
Все гарантийные и возвратные обязательства реализуются строго по действующему законодательству России и с учётом интересов наших клиентов.
